Ваш город: Краснодар

ГОСТ Р 51261-99

ГОСТ Р 51261-99

Посмотрите видео лекцию. Требования ГОСТов и СНиПов к перилам и ограждениям

УСТРОЙСТВА ОПОРНЫЕ СТАЦИОНАРНЫЕ РЕАБИЛИТАЦИОННЫЕ

Информационные данные

1. РАЗРАБОТАН И ВНЕСЕН Техническим комитетом по стандартизации ТК 381 «Технические средства для инвалидов»

2. ПРИНЯТ И ВВЕДЕН В ДЕЙСТВИЕ Постановлением Госстандарта России от 13 апреля 1999 г. № 123

3. Настоящий стандарт разработан по федеральной комплексной программе «Социальная поддержка инвалидов», утвержденной Постановлением Правительства Российской Федерации от 16 января 1995 г. № 59

4. ВВЕДЕН ВПЕРВЫЕ

1. ОБЛАСТЬ ПРИМЕНЕНИЯ

Настоящий стандарт распространяется на стационарные опорные реабилитационные устройства (далее - опорные устройства), устанавливаемые в доступных для инвалидов общественных зданиях, сооружениях и средствах общественного пассажирского транспорта. Опорные устройства предназначены для инвалидов, в том числе инвалидов, использующих для передвижения кресла-коляски. Стандарт устанавливает типы опорных устройств и технические требования к опорным устройствам.

Стандарт не распространяется на опорные технические средства реабилитации инвалидов, предназначенные для индивидуального пользования (костыли, ходунки, трости, подножки, подлокотники и спинки кресел-колясок и др.).

2. НОРМАТИВНЫЕ ССЫЛКИ

В настоящем стандарте использованы ссылки на следующие стандарты:

ГОСТ 9.032-74 Единая система защиты от коррозии и старения. Покрытия лакокрасочные. Группы, технические требования и обозначения

ГОСТ 9.301-86 Единая система защиты от коррозии и старения. Покрытия металлические и неметаллические неорганические. Общие требования

ГОСТ 9.303-84 Единая система защиты от коррозии и старения. Покрытия металлические и неметаллические неорганические. Общие требования к выбору

ГОСТ 14193-78 Монохлорамин ХБ технический. Технические условия

ГОСТ 15150-69 Машины, приборы и другие технические изделия. Исполнения для различных климатических районов. Категории, условия эксплуатации, хранения и транспортирования в части воздействия климатических факторов внешней среды

ГОСТ Р 15.111-97 Система разработки и постановки продукции на производство. Технические средства реабилитации инвалидов

ГОСТ Р 51079-97 (ИСО 9999-92) Технические средства реабилитации людей с ограничениями жизнедеятельности. Классификация

ГОСТ Р 51083-97 Кресла-коляски. Общие технические условия

ГОСТ Р 51090-97 Средства общественного пассажирского транспорта. Общие технические требования доступности и безопасности для инвалидов

3. ОПРЕДЕЛЕНИЯ И СОКРАЩЕНИЯ

3.1. В настоящем стандарте применяют следующие термины с соответствующими определениями:

инвалид: Лицо, которое имеет нарушение здоровья со стойким расстройством функций организма, обусловленное заболеваниями, последствиями травм или дефектами, приводящее к ограничению жизнедеятельности и вызывающее необходимость его социальной защиты;

ограничение жизнедеятельности: По ГОСТ Р 51079;

опорное устройство: Вспомогательное техническое средство, предназначенное для опоры и поддержки людей в процессе их перемещения (при ходьбе, при поездке в транспортном средстве и т.д.);

стационарное опорное устройство: Опорное устройство, закрепленное на соответствующем элементе конструкции здания, сооружения или транспортного средства;

стационарное опорное реабилитационное устройство для инвалидов: Стационарное опорное устройство, обладающее специальными свойствами, которые учитывают реабилитационный потенциал пользователей-инвалидов, в том числе с нарушением статодинамической функции, позволяя в той или иной степени компенсировать, ослаблять или нейтрализовать ограничение способности инвалидов к самостоятельному передвижению;

общественное здание, доступное для инвалидов: Общественное здание, отвечающее установленным требованиям доступности и безопасности для инвалидов;

общественное сооружение, доступное для инвалидов: Общественное сооружение, отвечающее установленным требованиям доступности и безопасности для инвалидов;

средство общественного пассажирского транспорта, доступное для пассажиров-инвалидов: По ГОСТ Р 51090;

реабилитационный потенциал: По ГОСТ Р 15.111;

вспомогательное посадочное устройство: По ГОСТ Р 51090;

кресло-коляска: кресло-коляска, соответствующее требованиям ГОСТ Р 51083.

3.2. В настоящем стандарте применяют следующие сокращения:

- стационарное опорное реабилитационное устройство для инвалидов - опорное устройство;

- общественное здание, доступное для инвалидов, - здание;

- общественное сооружение, доступное для инвалидов, - сооружение;

- средство общественного пассажирского транспорта, доступное для пассажиров-инвалидов, - транспортное средство;

- СНиП - строительные нормы и правила.

4.ТИПЫ ОПОРНЫХ УСТРОЙСТВ

4.1. Опорные устройства подразделяют на:

а) в зависимости от назначения:

- поручни;

- стойки;

- ручки-опоры;

б) по конструктивному исполнению:

- неразъемные, имеющие цельную конструкцию в соответствии с назначением;

- модульные, позволяющие получать различные по конфигурации и назначению опорные устройства, например поручни-стойки.

4.2. Поручни подразделяют на:

а) в зависимости от возрастной категории пользователей-инвалидов:

- одиночные для взрослых;

- одиночные для детей;

- парные, когда поручни для взрослых и для детей расположены в одной плоскости параллельно друг другу и на различной высоте в зависимости от возрастной группы пользователей-инвалидов;

б) в зависимости от места крепления:

- настенные;

- потолочные;

- лестничные;

- дверные;

- поручни пандусов, сидений и др.;

в) по конфигурации:

- прямые, имеющие только один прямой участок;

- комбинированные, имеющие, как минимум, два прямых участка, расположенных под углом друг к другу.

5.ТЕХНИЧЕСКИЕ ТРЕБОВАНИЯ

5.1. Общие требования к опорным устройствам

5.1.1. Опорные устройства следует изготовлять в соответствии с требованиями настоящего стандарта по рабочим чертежам, утвержденным в установленном порядке.

5.1.2. Выбор типа опорного устройства и места (расположения) его установки в конкретном здании, сооружении или транспортном средстве следует осуществлять в соответствии с требованиями настоящего стандарта, СНиП, стандартов на указанное здание, сооружение или транспортное средство.

5.1.3. Опорные устройства, предназначенные для пользования инвалидами, сидящими в креслах-колясках, необходимо устанавливать так, чтобы свободные участки этих опорных устройств при любом их положении находились в пределах зоны досягаемости инвалидов в креслах-колясках (приложение А), на высоте не более 1100 мм от уровня пола.

5.1.4. Конструкция и размещение опорных устройств в зданиях, сооружениях и транспортных средствах должны исключать возможность травмирования людей - пользователей зданий, сооружений и пассажиров транспортных средств, в том числе людей с нарушением функции зрения.

5.1.5. Минимальная длина свободного участка опорного устройства в любом его положении должна быть не менее 100 мм для захвата всей кистью руки.

5.1.6. Форма и размеры опорных устройств должны обеспечивать максимальное удобство их захвата и стабильную фиксацию кисти руки для каждой конкретной ситуации в процессе пользования. При этом поручни, устанавливаемые в зданиях и сооружениях, должны быть круглого сечения диаметром не менее 30 мм (поручни для детей) и не более 50 мм (поручни для взрослых) или прямоугольного сечения толщиной от 25 до 30 мм.

Опорные устройства (поручни, стойки и ручки), устанавливаемые в транспортных средствах, должны иметь круглое поперечное сечение или сечение, близкое к круглому. Диаметр их поперечного сечения должен составлять от 32 до 38 мм. Для поручней или ручек на створках дверей или сиденьях транспортных средств допускается минимальный диаметр поперечного сечения от 15 до 25 мм.

Размеры свободного пространства между опорным устройством и ближайшим оборудованием или стенками помещения

5.1.7. Расстояние между опорным устройством и ближайшим элементом оборудования или стенками помещения должно быть не менее 40 мм (рисунок 1а). Допускается уменьшение этого расстояния до 35 мм для поручней и ручек, устанавливаемых на створках дверей и сиденьях транспортных средств.

Опорные устройства могут быть расположены в нише, если эта ниша имеет глубину Т не менее 70 мм и высоту Н над опорными устройствами не менее 450 мм (рисунок 1б).

5.1.8. Поверхность опорных устройств, а также любая стенка или поверхность вблизи них должны быть ровными и гладкими или рифлеными (только для поверхности опорных устройств) без острых кромок и заусенцев. Рифленая поверхность опорных устройств должна иметь ребра с закруглением, радиус которого не менее 3 мм.

Рисунок 1 - Размеры свободного пространства между опорным устройством и ближайшим оборудованием или стенками помещения

5.1.9. Опорные устройства, используемые в условиях низкой температуры окружающей среды, должны быть изготовлены из материалов или покрыты материалами, которые обладают низкой теплопроводностью.

5.1.10. Опорные устройства, захватываемые одной рукой, необходимо размещать на стороне соответственно действующей правой или левой руки инвалида в пределах досягаемости при сгибе ее в локтевом суставе под углом 90°-135° и приложении усилия по направлению прямо «на себя - от себя».

5.1.11. Пространственное расположение прямых участков опорных устройств (горизонтальное, вертикальное, комбинированное, наклонное) должно быть определено в зависимости от характера и особенностей приложения захватывающих и удерживающих усилий при соблюдении соответствия с направлением движения инвалида и (или) с направлением движения объекта, в котором находится инвалид (например, транспортного средства или подъемного устройства).

5.1.12. При наличии сотрясений, вибраций, ускорений, действующих на инвалида в процессе пользования опорным устройством (например, в транспортном средстве), это опорное устройство должно обеспечивать опору:

- локтю - при больших (широких) захватах опорного устройства кистью руки с предплечьем;

- предплечью - при захватах опорного устройства кистью руки;

- запястью - при захватах опорного устройства пальцами.

5.1.13. Опорные устройства должны иметь контрастную расцветку, позволяющую инвалидам, в том числе с нарушением функции зрения, легко и быстро находить опорные устройства и пользоваться ими.

5.1.14. Опорное устройство должно сохранять прочность, не должно поворачиваться или смещаться относительно крепежной арматуры и должно выдерживать усилие, значение которого составляет не менее 500 Н, приложенное к любой его точке в любом направлении без остаточной деформации составных частей опорного устройства и конструкции, к которой оно крепится.

5.1.15. Опорные устройства должны быть снабжены элементами, обеспечивающими их закрепление на месте установки.

5.1.16. Опорные устройства должны быть устойчивы к воздействию климатических факторов внешней среды по ГОСТ 15150 для видов климатического исполнения У1 и У1.1 при эксплуатации вне помещений и УХЛ 4.2 - при эксплуатации внутри помещений.

5.1.17. Для изготовления опорных устройств используют материалы, разрешенные к применению Минздравом России.

Материалы, применяемые для изготовления опорных устройств, не должны содержать ядовитых (токсичных) компонентов.

5.1.18. Металлические опорные устройства должны быть изготовлены из коррозионно-стойких материалов или защищены от коррозии защитно-декоративными покрытиями в соответствии с требованиями ГОСТ 9.032, ГОСТ 9.301, ГОСТ 9.303.

5.1.19. Наружные поверхности опорных устройств должны быть устойчивы к воздействию 1 %-го раствора монохлорамина ХБ по ГОСТ 14193 и растворов моющих средств, применяемых при дезинфекции.

5.2. Дополнительные требования к опорным устройствам пандусов

5.2.1. Пандусы наземных и подземных пешеходных дорожек, имеющие высоту подъема Н более 150 мм или горизонтальную проекцию наклонного участка пандуса L протяженностью более 1800 мм (рисунок 2), должны быть оборудованы поручнями по обеим сторонам, удовлетворяющими требованиям 5.1 и нижеследующим требованиям.

5.2.2. Пандусы, предназначенные для передвижения инвалидов в креслах-колясках, должны быть оснащены с обеих сторон одиночными или парными поручнями (рисунок Б.1).

5.2.3. Поручни пандусов для инвалидов должны иметь с обеих сторон участки, выходящие за пределы длины наклонного участка пандуса на примыкающие к этому участку горизонтальные площадки протяженностью не менее 300 мм каждый, как показано на рисунке Б.2.

Основные параметры пандусов наземных и подземных пешеходных дорожек

1 - горизонтальная площадка; 2 - наклонная поверхность пандуса; 3 - горизонтальная площадка

Рисунок 2 - Основные параметры пандусов наземных и подземных пешеходных дорожек

5.2.4. Поверхность поручней пандусов должна быть непрерывной по всей длине и должна быть строго параллельна поверхности самого пандуса с учетом примыкающих к нему горизонтальных участков.

5.2.5. Концы поручней пандусов должны быть либо скруглены, либо прочно прикреплены к полу, стене или стойкам, а при парном их расположении - соединены между собой (рисунок Б.2).

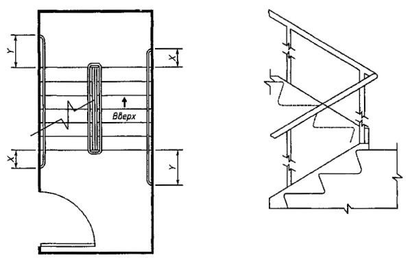
5.3. Дополнительные требования к опорным устройствам лестниц

5.3.1. Доступные для инвалидов лестницы на входе в здания и сооружения, а также внутри зданий и сооружений должны иметь по обеим сторонам и по всей длине ограждения с одиночными или парными поручнями, удовлетворяющими требованиям 5.1 и нижеследующим требованиям.

5.3.2. Поверхность лестничных поручней должна быть непрерывной по всей длине лестничного марша.

Внутренние поручни на изломе лестницы должны быть всегда непрерывными, как показано на рисунке B.1.

5.3.3. Лестничные поручни должны иметь с обеих сторон участки, выходящие за пределы длины лестничного марша вверху, как минимум, на 300 мм и внизу, как минимум, на 300 мм с прибавлением глубины одной ступени лестницы А, как показано на рисунке В.2. Указанные участки должны быть горизонтальными.

5.3.4. Высота охватываемой поверхности лестничного поручня над наплывом лестничной ступени должна быть, мм:

- для верхнего парного поручня - 900;

- для нижнего парного поручня - не менее 700 и не более 750.

5.3.5. Поверхность лестничного поручня не должна перекрываться стойками, другими конструктивными элементами или препятствиями.

5.3.6. Концы лестничного поручня должны быть скруглены или прочно прикреплены к полу, стене или стойке, а при парном их расположении - соединены между собой (рисунок В.2).

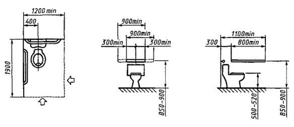
5.4. Дополнительные требования к опорным устройствам в туалетных, ванных и душевых комнатах зданий и сооружений

5.4.1. Туалетные, ванные и душевые комнаты (кабины), доступные для инвалидов, в том числе инвалидов, перемещающихся в креслах-колясках, должны быть оснащены поручнями, отвечающими требованиям 5.1 и нижеследующим требованиям.

5.4.2. При выборе типов поручней [в соответствии с 4.1, перечисление б) и 4.2], количества поручней, вариантов их размещения и способов монтажа в туалетных, ванных и душевых комнатах должен быть обеспечен беспрепятственный, удобный и безопасный доступ инвалидов, в том числе инвалидов в креслах-колясках, к санитарно-техническому и другому оборудованию указанных помещений, а также созданы условия, позволяющие инвалидам самостоятельно пользоваться туалетом, ванной и душем.

5.4.3. Поручни в туалетной комнате или туалетной кабине не должны препятствовать фронтальному или боковому подступу инвалида, перемещающегося в кресле-коляске, к унитазу.

5.4.4. В туалетной комнате или в туалетной кабине, доступной для инвалидов в кресле-коляске, должны быть установлены, как минимум, два горизонтальных поручня, один из которых размещают сбоку от унитаза со стороны ближайшей к унитазу стены, а другой - позади унитаза (рисунок Г.1) или с другого бока унитаза (рисунок Г.2).

5.4.5. В случае, если в туалетной комнате предусмотрен боковой подступ инвалида в кресле-коляске к унитазу, то при установке двух боковых поручней один из них, расположенный со стороны подступа к унитазу, должен быть поворотным или откидным (рисунок Г.3). Размеры и размещение откидного парного поручня должны соответствовать указанным на рисунке Г.4.

5.4.6. Концы боковых откидных и поворотных поручней должны быть скруглены, а поручней парного типа - соединены между собой (рисунок Г.5).

5.4.7. Для обеспечения удобства при пользовании настенным писсуаром в общественных туалетах, доступных для инвалидов, должны быть предусмотрены поручни комбинированного типа (рисунок Г.6).

5.4.8. В ванных комнатах, доступных для инвалидов, должны быть предусмотрены, как минимум, прямые поручни одиночного и (или) парного расположения (рисунок Г.7).

При этом горизонтальный участок поручней ванны (для парных поручней - участок верхнего поручня) должен располагаться на высоте от 850 до 900 мм от уровня пола ванны, а горизонтальный участок нижнего парного поручня - на высоте не более 200 мм от верхней кромки ванны.

5.4.9. В душевых комнатах, доступных для инвалидов, должны быть предусмотрены, как минимум, прямые или комбинированные горизонтальные поручни (рисунок Г.8).

5.4.10. В туалетных, ванных комнатах и других местах общего пользования, где установлены раковины умывальников, следует предусматривать поручни для опоры инвалидов при пользовании умывальниками (рисунок Г.9).

5.5. Дополнительные требования к опорным устройствам транспортных средств

5.5.1. Опорные устройства транспортных средств должны удовлетворять требованиям ГОСТ Р 51090 и настоящего стандарта в части, их касающейся.

5.5.2. Выбранные типы опорных устройств (в соответствии с 4.1 и 4.2), количество и расположение их в транспортном средстве должны обеспечивать пассажирам-инвалидам, использующим технические средства реабилитации (кресла-коляски, транспортные коляски, костыли, трости и др.), в любой конкретной ситуации как при посадке в транспортное средство и выходе из него, так и во время нахождения внутри транспортного средства (стоя, сидя или перемещаясь) беспрепятственное и непрерывное пользование опорным устройством.

5.5.3. Места, предназначенные для размещения пассажиров-инвалидов в креслах-колясках, должны быть оборудованы горизонтальными поручнями, расположенными вдоль боковых стенок транспортных средств на высоте от 900 до 1100 мм от поверхности пола.

5.5.4. Проходы пассажирских дверей, доступных для инвалидов, должны быть оснащены по обеим сторонам поручнями, стойками или ручками, которые должны иметь в соответствии с требованиями 5.1.5 свободные участки, за которые инвалид как стоящий на дороге (остановочном пункте или пассажирской платформе) у пассажирской двери, так и находящийся в дверном проеме или тамбуре транспортного средства, в том числе на любой ступеньке транспортного средства со ступенчатым входом, может удобно держаться (двумя или одной рукой) при посадке в транспортное средство.

Эти участки опорных устройств должны быть расположены по вертикали на высоте (900±100) мм от поверхности дороги (остановочного пункта или пассажирской платформы), на которой находится пассажир-инвалид, или от поверхности каждой ступеньки, а по горизонтали:

а) для транспортного средства с бесступенчатым входом - не должны выступать наружу за дверной порог, а также отстоять внутрь транспортного средства более чем на 300 мм по отношению к данному дверному порогу;

б) для транспортного средства со ступенчатым входом - не должны выступать наружу за внешний край любой ступеньки, а также отстоять внутрь транспортного средства более чем на 300 мм по отношению к внутренней границе любой ступеньки.

5.5.5. Поручни в дверях троллейбусов и трамваев должны быть изготовлены из изоляционного материала или иметь механически прочную изоляцию, значение сопротивления которой составляет не менее 1 МОм при поверхности контакта 1 дм2.

5.5.6. Центральный проход между продольными рядами сидений, предназначенных для пользования инвалидами, и накопительная площадка в салоне наземных и подземных транспортных средств должны быть оснащены потолочными горизонтальными поручнями, которые должны быть непрерывны, за исключением зон расположения дверных проемов.

Спинки поперечных сидений, предназначенных для инвалидов, должны иметь опорные поручни или ручки, обеспечивающие удобство пользования ими.

5.5.7. Опорные устройства, расположенные внутри транспортного средства, не должны создавать препятствий для посадки в транспортное средство пассажиров-инвалидов, использующих кресла-коляски, и для размещения их в этом транспортном средстве на площадках в соответствии с ГОСТ Р 51090, не должны создавать помех для перемещения других пассажиров и должны исключать возможность травмирования пассажиров, в том числе пассажиров с нарушением функции зрения, пользующихся данным транспортным средством.

5.5.8. В туалетном помещении (санузле) транспортного средства, доступном для инвалидов, в том числе для инвалидов, перемещающихся в креслах-колясках или в транспортных колясках, должны быть предусмотрены:

а) как минимум, один горизонтальный поручень длиной не менее 1000 мм, смонтированный, как минимум, на одной из сторон туалетного помещения на высоте от 800 до 900 мм от уровня пола туалетного помещения;

б) два горизонтальных парных поручня круглого сечения длиной не менее 650 мм, консольно прикрепленных к задней стене туалетного помещения симметрично с обеих сторон унитаза на высоте от 800 до 850 мм от поверхности пола и на расстоянии 600 мм друг от друга.

При этом оба парных поручня или один из них, расположенный со стороны подступа к унитазу, выполняют откидными (откидным) или поворотными (поворотным). Откидные или поворотные поручни должны разворачиваться соответственно в вертикальной или горизонтальной плоскостях и фиксироваться в рабочем положении.

5.6. Дополнительные требования к опорным устройствам вспомогательного оборудования (подъемников, рамп) для посадки инвалидов в транспортные средства

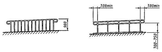
5.6.1. Платформы подъемников должны быть оборудованы парными поручнями, расположенными по боковым краям платформы на расстоянии 200-250 мм от края платформы, примыкающего к проему двери транспортного средства, и позволяющими удобно и крепко за них держаться пассажирам-инвалидам как сидящим в креслах-колясках, так и стоящим на платформе во время работы подъемника.

5.6.2. Поручни платформ подъемников должны иметь свободные участки длиной не менее 300 мм. Нижний парный поручень должен находиться над платформой на высоте не менее 750 мм, а верхний - на высоте не более 900 мм.

5.6.3. Если на рампах предусмотрены парные поручни, то они должны соответствовать требованиям 5.1 и позволять инвалидам удобно и крепко держаться за эти поручни снаружи транспортного средства во время начала посадки и продолжать пользоваться ими в течение всего процесса посадки.

5.6.4. Поручни рампы должны быть расположены на высоте от 750 до 900 мм над поверхностью рампы.

5.6.5. Поручни подъемных устройств для посадки инвалидов в транспортное средство должны выдерживать нагрузку, значение которой составляет не менее 500 Н, сконцентрированную в любой точке поручня, без остаточной деформации их элементов.

5.6.6. Поручни подъемных устройств для посадки инвалидов в троллейбусы и трамваи должны иметь изоляционное покрытие в соответствии с требованиями 5.5.5.

ПРИЛОЖЕНИЕ А

(рекомендуемое)

Зона досягаемости для инвалидов в кресле-коляске

Зона досягаемости для инвалидов-мужчин в кресле-коляске

Рисунок А.1 - Зона досягаемости для инвалидов-мужчин в кресле-коляске
Рисунок А.2 - Зона досягаемости для инвалидов-женщин в кресле-коляске

ПРИЛОЖЕНИЕ Б

(рекомендуемое)

Пример расположения поручней пандусов

Пример расположения поручней пандусов

Рисунок Б.1

Пример расположения поручней пандусов

Рисунок Б.2

ПРИЛОЖЕНИЕ В

(рекомендуемое)

Пример расположения лестничных поручней в зданиях и сооружениях

Пример расположения лестничных поручней в зданиях и сооружениях

Рисунок B.1

Пример расположения лестничных поручней в зданиях и сооружениях

Рисунок В.2

Примечание - х ³ 300 мм;

- у ³ 300 мм + ширина проступи (А).

ПРИЛОЖЕНИЕ Г

(рекомендуемое)

Примеры оборудования поручнями туалетных комнат или кабин ванных и душевых комнат в общественных зданиях и сооружениях

Примеры оборудования поручнями туалетных комнат или кабин ванных и душевых комнат в общественных зданиях и сооружениях

Рисунок Г.1

Примеры оборудования поручнями туалетных комнат или кабин ванных и душевых комнат в общественных зданиях и сооружениях

Рисунок Г.2

Примеры оборудования поручнями туалетных комнат или кабин ванных и душевых комнат в общественных зданиях и сооружениях

Примеры оборудования поручнями туалетных комнат или кабин ванных и душевых комнат в общественных зданиях и сооружениях

Рисунок Г.3

Рисунок Г.4

Примеры оборудования поручнями туалетных комнат или кабин ванных и душевых комнат в общественных зданиях и сооружениях

Рисунок Г.5

Примеры оборудования поручнями туалетных комнат или кабин ванных и душевых комнат в общественных зданиях и сооружениях

Рисунок Г.6

Примеры оборудования поручнями туалетных комнат или кабин ванных и душевых комнат в общественных зданиях и сооружениях

1-Зона размещения органов управления; 2 - Сиденье.

Рисунок Г.7

Примеры оборудования поручнями туалетных комнат или кабин ванных и душевых комнат в общественных зданиях и сооружениях

1 - зона размещения органов управления

Рисунок Г.8

Примеры оборудования поручнями туалетных комнат или кабин ванных и душевых комнат в общественных зданиях и сооружениях

Рисунок Г.9

в оглавление ›››

Звоните: [[$phone]]

Мы ждём Вас!

Наш Telegram-канал
Эксклюзивные акции и скидки только для подписчиков: не упусти выгоду!
Перейти на наш канал
Подпишись на наш Telegram-канал
Эксклюзивные акции и скидки только для подписчиков: не упусти выгоду!